
概述
Q-K系列无源隔离器无需外供电源,从输入信号上获取少许能量,实现信号隔离传输。可以与各种工业传感器、现场仪表配合,取回参数信号,隔离变送传输,满足用户本地监视远程数据的需求。
技术参数
规格参数 | 说 明 |
输入信号 | 0-20mA、4-20mA |
电压降 | 2.5V(I=20mA) |
响应电流 | < 50uA |
最大输入/过载输入 | 50mA /100mA |
最大输入电压 | 30V |
极限电压输入 | 33V |
输出信号 | 0-20mA /4-20mA;0-5V /1-5V |
电压降 | 2.5V(I=20mA) |
最大输出 | 35mA |
纹波 | 10mVp-p |
传输精度(20℃) | 0.2%FS |
附加误差 | 0.02%*PV /100Ω(注:PV为测量量程值) |
温度系数(负载100Ω) | ≤(0.02%*PV)/K/100Ω(注:PV为测量量程值) |
截止频率 | <75Hz |
阶跃响应(10%-90%) | <10ms |
绝缘强度(输入/输出) | 2500Vrms (1 min,无火花) |
工作温度范围 | -20~60℃(无凝露、无结冰) |
安装方式 | 35mmDIN导轨安装 |
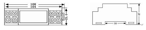
安装尺寸 | 25.4*47*104mm(宽*高*深) |
重量 | 约130克 |
电磁兼容性 | 符合GB/T18268工业设备应用要求(IEC 61326-1) |
适用现场设备 | 直流电流源 |
典型外形尺寸

接线图

型谱表
型 号 | 代 码 | 说 明 | |||
Q-K | □ | □ | □ |
| Q-K型无源隔离器 |
输入通道 | 缺省 |
|
|
| 一入一出 |
输入类型 | 1 |
|
| 4-20mA | |
输出类型 | 1 |
| 4-20mA | ||