
概述
Q-AP系列配电器给二、三线制变送器提供隔离的电源电压,将变送器产生的直流电流信号经过隔离传送,转换成所需的信号给其它仪表。可以与单元组合仪表及DCS、PLC等系统配套使用,给予现场仪表信号隔离、信号转换、信号分配、信号处理等,从而提高工业生产过程自动控制系统的抗干扰能力,保证系统的稳定性和可靠性。本产品输入、输出、电源三隔离。
技术参数
规格参数 | 说 明 |
输入信号 | 0-10mA、4-20mA、0-20mA、0-5V、1-5V、0-10V |
输入阻抗 | 电流阻抗≤50Ω,电压阻抗≥250KΩ |
最大输入电流/电压 | ≤30mA/≤10.5V |
配电电压/最大电流 | 19~25V/≤30mA |
输出信号 | 0-10mA、4-20mA、0-20mA、0-5V、1-5V、0-10V |
输出负载 | 0-10mA、4-20mA、0-20mA负载电阻RL≤500Ω |
电源 | 24VDC±10% |
功耗 | 单路输出功耗:≤1.5W;双路输出功耗:≤2.6W |
绝缘电阻(输入/输出/电源之间) | ≥100MΩ(500VDC时) |
绝缘强度(输入/输出/电源之间) | 2500Vrms (1 min,无火花) |
工作温度 | -20~60℃(无凝露、无结冰) |
相对湿度 | 25%~85%RH |
温度漂移 | 0.005%FS/℃ |
安装方式 | 35mmDIN导轨安装 |
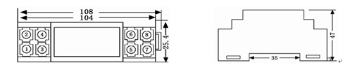
安装尺寸 | 25.4*47*104mm(宽*高*深) |
传输精度(20℃) | 0.2%FS |
响应时间 | 单路≤0.3S,双路≤0.5S |
重量 | 约130克 |
电磁兼容性 | 符合GB/T18268工业设备应用要求(IEC 61326-1) |
适用现场设备 | 二线制、三线制变送器 |
典型外形尺寸

接线图

型谱表
型 号 | 代 码 | 说 明 | |||
Q-AP | □ | □ | □ |
| Q-AP系列配电器 |
输入类型 | 1 |
|
|
| 4-20mA |
输出类型 | 1 |
|
| 4-20mA | |
供电方式 | D |
| 24VDC | ||